浙江仁耀電氣科技提供光伏高壓并網成套柜的生產



產品概述
RYZH-12交流金屬封閉開關設備(簡稱環網柜)適用于交流50HZ,10KV的電網中作為開斷負荷和短路及關合短路電流用。分別由進線斷路器柜、出線及接地刀斷路器柜、計量柜、PT柜等幾種功能柜子組合而成,且柜內的核心元器件由仁耀公司研發的VRY9-12一體化組合電器構成。

RYZH-12交流金屬封閉開關設備概述
RYZH-12交流金屬封閉開關設備(簡稱環網柜)適用于交流50HZ,10KV的電網中作為開斷負荷和短路及關合短路電流用。分別由進線斷路器柜、出線及接地刀斷路器柜、計量柜、PT柜等幾種功能柜子組合而成,且柜內的核心元器件由仁耀公司研發的VRY9-12一體化組合電器構成。該一體化組合電器主要集合了隔離開關、固封式真空斷路器、接地開關、電壓傳感器、五防聯鎖、操作面板、模塊化操作機構等元器件,實現了RYZH-12開關設備的體積更小、維護簡單等優點。廣泛應用與城市商業中心、工業集中區、機場、電器化鐵路、高速公路等供電可靠性高的配電系統中。

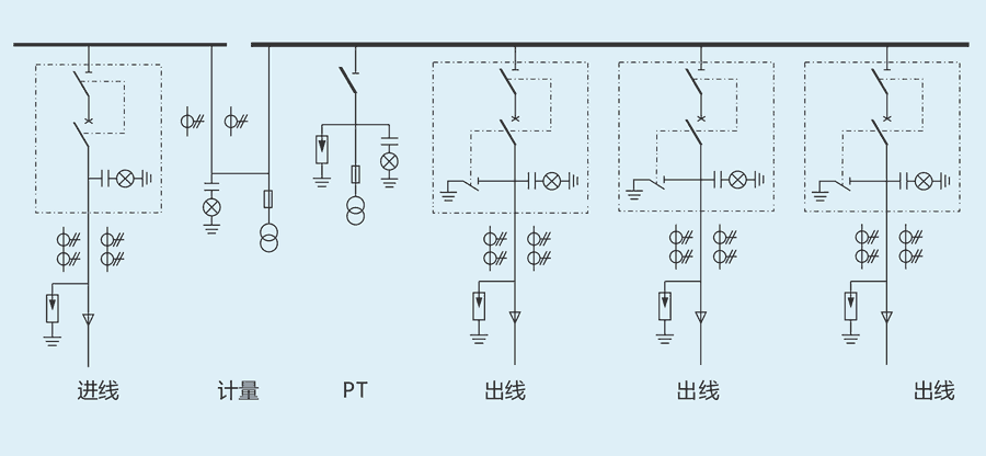
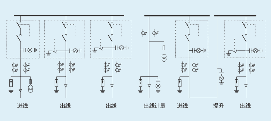
RYZH-12環網開關柜體典型圖




RYZH-12環網開關柜典型設計方案圖








